Br. Alfred Shields FSC
Ocean Research Center
  • HOME
  • NEMENZO

Oxypora glabra

Nemenzo, 1959

Oxypora glabra

Nemenzo, 1959

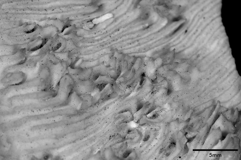
Corallum very explanate, almost 4 mm thick in inner region, only 1.5 mm at edge. Pores still distinct on calicinal surface at insertion of new septocostae, obliterated on lower surface.


Non-calicinal surface (lower) with heavy deposit of amorphous powder but parallel costae still quite distinct. Costae with few, low, scattered spines; in some places lower and higher ones alternating, in other places only higher ones visible.


Calicinal surface marked by parallel septocostae but the spines found on O. lacera almost completely absent except around calices. Thin, low septocostae alternating with broader, higher ones, the latter becoming thin, sharp-edged in areas between fairly close calices. In some areas septocostae sinuous.


Calicles without definite arrangement, unequally distant; calicinal diameter 6-8 mm at most, measured across from elevated outer edges of opposite septa. Septa markedly elevated, their outer edges bearing 1 or 2 acute spines; usually thickened within calices, their inner edges usually confluent so that columella is lost.


Remarks: The foregoing description is based on two separate pieces broken from corallum growing around a piece of rock obtained from very shallow water, in a well-sheltered bay. Fortunately, one piece comes from the inner portion, the other from the edge. The species can be easily recognized from O. lacera by its heavier, thicker corallum, its relatively smooth calicinal or upper surface because of the almost complete absence of septocostal spines, the absence of the columella, and its almost imperforate lower surface.


Source: Nemenzo F (1959) Systematic studies on Philippine shallow water scleractinians: II. Suborder Faviida. Nat. Appli. Sci. Bull. 16: 73-135. 24 pls.

Taxonomic status:accepted
Source: WoRMS Editorial Board (2018). World Register of Marine Species. Available from http://www.marinespecies.org at VLIZ. Accessed 2018-05-24. doi:10.14284/170
Type Specimen Location:
Institute of Biology, University of the Philippines, Diliman, Quezon City
Material:
Plate 1, Figs. 1 and 2:UP C-128 (3 specimens):Hundred Islands, Pangasinan (Nemenzo) 1954.

Oxypora

Oxypora Glabra
  • Home
  • |
  • Nemenzo
  • Citation Guide
    • "unavailable"
  • |
  • Contact Us
    • EMAIL:
    • [email protected]
    • TELEPHONE:
    • 524-5611 loc.426
    • TELEFAX:
    • 526-5611
Br. Alfred Shields FSC
Ocean Research Center
2401 Taft Ave, Malate, Manila, 1004 Metro Manila
© Copyright 2018